Нажмите Вход или Регистрация если хотите присоединиться к сообществуNNMC Форум радиолюбителей, аудиофилов, меломанов и музыкантов
Форум Справка Поиск Чат Регистрация Вход
Предыдущая Следующая Вверх Тема Общая информация / Теоретические материалы / Проблемы синхронизации ЦАП - Сергей Смирнов - http://sergeysvs.narod.ru/
- - От nnstepan Дата 2012-02-19 09:03 Исправлено 2012-02-22 21:45
Синхронизация ЦАП, часть 1

Для начала – суть проблемы.
Как следует из многочисленных публикаций, проблема джиттера признается многими, и многие борются с ней различными способами. Особенно остро она проявляется в двухблочных CD проигрывателях. При традиционном для домашнего комплекса построении, когда транспорт соединен с внешним ЦАПом SPDIF интерфейсом, начинает сказываться влияние всего тракта – транспорта, цифровых кабелей (вызывая смех у профессионалов), стоек, питания  и т.д. и т.п. А проблема ведь решаема в принципе, особенно при использовании CD в качестве единственного цифрового источника сигнала.
Данные заметки посвящены решению проблемы джиттера при использовании внешнего самодельного ЦАП и улучшению (upgrade) бюджетных проигрывателей.
Несколько принципиальных замечаний.
1. Рассматриваются исключительно вопросы организации тактирования  ЦАП. Вопросы построения высококачественного тактового генератора, питания, разводки печатных плат, выбора компонентов и другие вопросы, влияющие на временную стабильность выходных отсчетов ЦАП, решаются на основе опыта и возможностей разработчика конкретного проекта.
2. Предполагается, что данные, на выходе сервоконтроллера соответствуют данным, записанным на CD. Отдельные ошибки в процессе чтения (дефекты диска, удары по транспорту и т.п.) могут приводить к появлению недостоверных отсчетов, но не должны носить регулярный характер и сказываться на качестве звучания при длительном прослушивании (в виде потери детальности, музыкальности, локализации и т.п.).
3. Приведенные соображения являются, с одной стороны, частным мнением автора, а с другой – не претендуют на какие либо “откровения” в области схемотехники. Подобные решения используются как в бытовых (ClockLink™ от Wadia)  и профессиональных устройствах (Pacific Microsonics Model Two HDCD Processor, к примеру), так и в материалах для самодельщиков (LC-Audio - http://lcaudio.com/). Любопытно, что в профессиональной технике видимо, не принято регистрировать под торговой маркой очевидные, с инженерной точки зрения, решения. Кроме того, аналогичные суждения встречались мной во многих конференциях.

Как известно, временная стабильность цифровых данных важна только непосредственно на входе микросхемы ЦАП. Опуская критику традиционного построения тракта (транспорт-SPDIF-ЦАП), перейду к предлагаемому варианту построения системы. На мой взгляд, наиболее естественно расположить тактовый генератор в непосредственной близи от ЦАП, тактируя все составляющие цифрового тракта (сервоконтроллер в транспорте, приемник SPDIF, цифровой фильтр и собственно ЦАП) от единого источника. Проблема т.н. джиттера решается полностью. Все зависит только от качества генератора и организации тактирования  ЦАП (данные на входе ЦАП желательно “перепривязать” сигналом генератора).
Вроде бы ничего нового в таком предложении нет. Но, почему-то большинство предпочитают либо перебирать варианты транспорт-кабель-приемник-ЦАП, либо городить синхронный интерфейс I2S, либо использовать преобразователи частоты дискретизации (типа AD1890, используя локальный генератор в ЦАПе). Можно еще использовать дополнительный перестраиваемый генератор (ГУН), охваченный узкополосной системой ФАП и настроенный на одну из стандартных частот дискретизации (скажем 256*44.1кГц). Но, построить хороший ГУН, задача не из простых.
Не использование общего генератора в бытовой аппаратуре связано со сложностью (и дороговизной) генератора, работающего на всех стандартных частотах дискретизации. В профессиональной технике часто используется отдельный блок мастер-генератора, тактирующий все компоненты цифровой студии (АЦП, процессор….). Для самодельщиков же, логично было бы встроить тактовый генератор в ЦАП и синхронизировать транспорт (проигрыватель) от ЦАП.

Сделать вход синхронизации в проигрывателе не составляет труда. Приведенная ниже схема представляет собой простейший тактовый генератор – приемник внешнего синхросигнала.

В качестве инвертора может быть использован практически любой небуферизированный CMOS инвертор. Компаратор – быстродействующий с внутренним гистерезисом.
Когда подключен внешний тактовый генератор (его выходное сопротивление должно быть - 50...75 Ом), генератор на инверторе блокируется (т.к. не способен работать на низкоомную нагрузку), и компаратор выдает тактовый сигнал уже с частотой внешнего синхросигнала. Питание подается с основной платы (цифровое). Естественно, лучше добавить локальный стабилизатор. Необходимое замечание: конечно, честнее было бы сделать приемник с входным импедансом 50…75 Ом, определять наличие внешнего сигнала и переключать сигналы от внешнего\внутреннего генератора. Но, при использовании синхросигнала синусоидальной формы, вопрос о несогласованности нагрузки не будет иметь принципиального значения. Так значительно проще.
Основываясь на рекомендациях LC-Audio (www.lcaudio.com) , выпаиваем кварц и конденсаторы сервоконтроллера, на отдельной плате собираем предлагаемую схему, подключаем выход вынесенного генератора к сервоконтроллеру, устанавливаем отдельный разъем для внешней синхронизации и… слушаем. Даже без внешнего ЦАП, а только за счет вынесения (простейшего) генератора на отдельную плату, улучшение звучания будет очень заметным. В дальнейшем, желающие собрать внешний ЦАП смогут использовать вход синхронизации и не задумываться о качестве соединительных цифровых кабелей. В отличие от варианта, предложенного LC-Audio, данный вариант оставляет проигрыватель CD работоспособным и без внешнего ЦАП.
Устройство было смонтировано на  демонстрационной плате Texas Instruments для ОУ. Соединения осуществлялись проводом МГТФ.
При использовании приемника SPDIF СS8412, возможны два варианта синхронизации в блоке ЦАП. Первый предложен LC-Audio – типовое включение СS8412 (режим Мастер). Отсоединить выход приемника MCK, и подать на эту цепь сигнал с общего тактового генератора. От него же (через буфер естественно) подать сигнал на предлагаемый мной приемник синхросигнала. Возможно, придется добавить инвертор между генератором и буфером, для исключения попадания фронт-на-фронт в ЦАПе.

Второй вариант предполагает использование СS8412 в режиме Slave. Необходимо самим формировать все сетки частот (SCK, FSYNC, MCK). Приемник СS8412 имеет внутри буфер на два отсчета, что позволяет подавать сигналы SCK и FSYNC от внешнего источника, при условии равенства частот дискретизации передаваемых по SPDIF и FSYNC.

Важное замечание: В случае если сервоконтроллер в проигрывателе работает на частоте 256*Fs (11,2896МГц), проблем быть не должно. В случае частоты 384*Fs (16,9344МГц), я предпочел бы сделать простейший ГУН с ФАП (скажем на 74НС4046А) для формирования частоты 16,9344МГц, подаваемой на транспорт, а в ЦАПе использовать 256*Fs (или 512*Fs). Либо использовать приемник Yamaha YM3623, работающий на частоте 384*Fs. Для перепривязки данных на входе ЦАП необходима частота 512*Fs.

Естественно, добиться максимального устранения влияния временной нестабильности ЦАП возможно только при выполнении максимальных требований, предъявляемых к тактовому генератору, размещению элементов на плате и качеству радиокомпонентов. В этом случае о проблеме т.н. джиттера можно будет забыть, и сосредоточится на аналоговых каскадах и источниках питания, влияние которых огромно и, вероятно, неустранимо в принципе.

Смирнов Сергей, Февраль 2001.

Взято тут http://sergeysvs.narod.ru/projects/Clocking/clocking1.html
Ответить
Предшествующее - - От nnstepan Дата 2012-02-19 09:09
Синхронизация ЦАП, часть 2
 
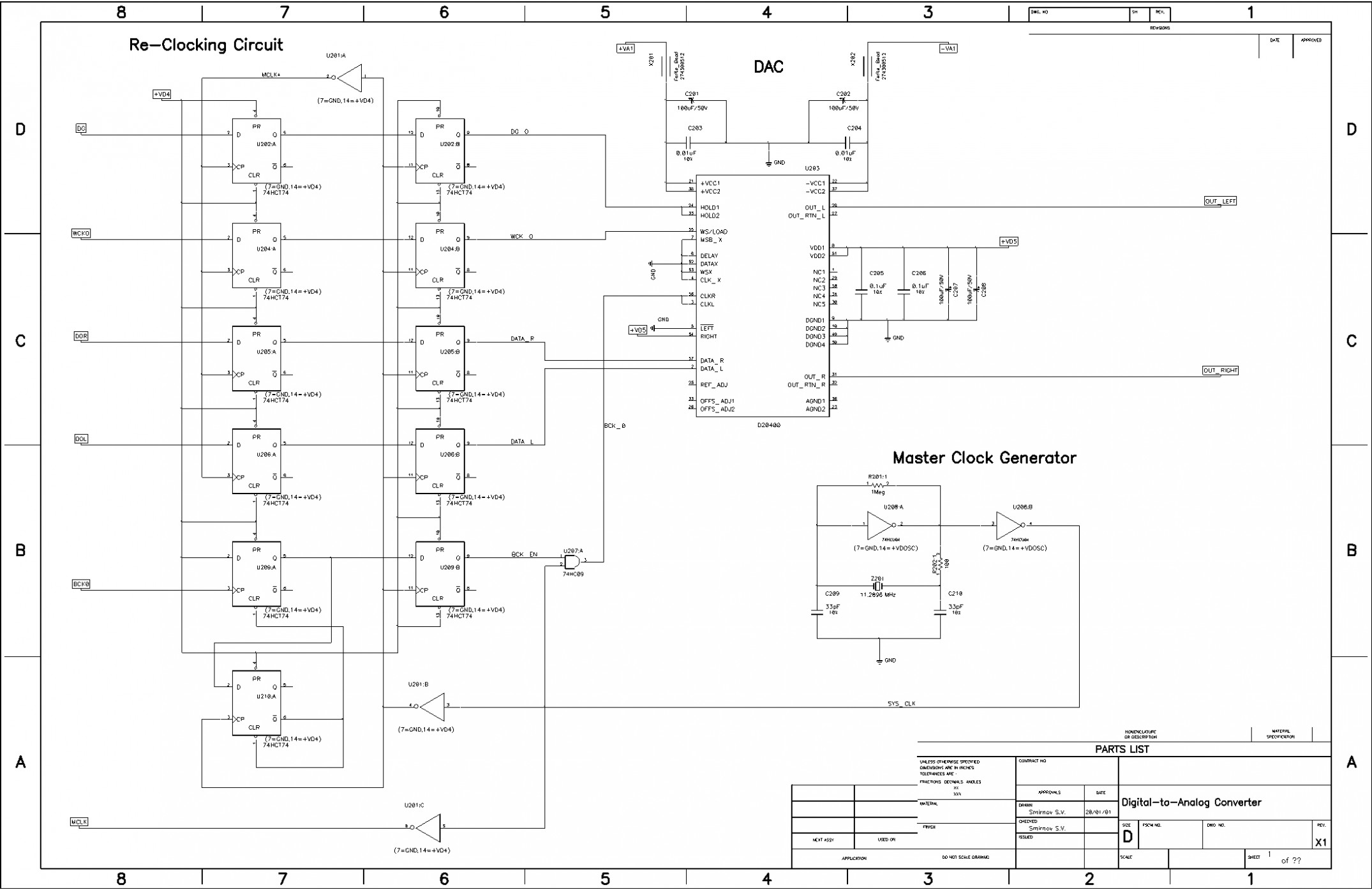
Приведенный материал является дополнением к первой части статьи, посвященной вопросу тактирования ЦАП в выносном  блоке. Еще раз приведу блок-схему комплекта транспорт – ЦАП:

Ниже  будет представлена принципиальная схема ЦАП, соответствующая данной блок-схеме. Остановлюсь на выборе отдельных элементов блока ЦАП.
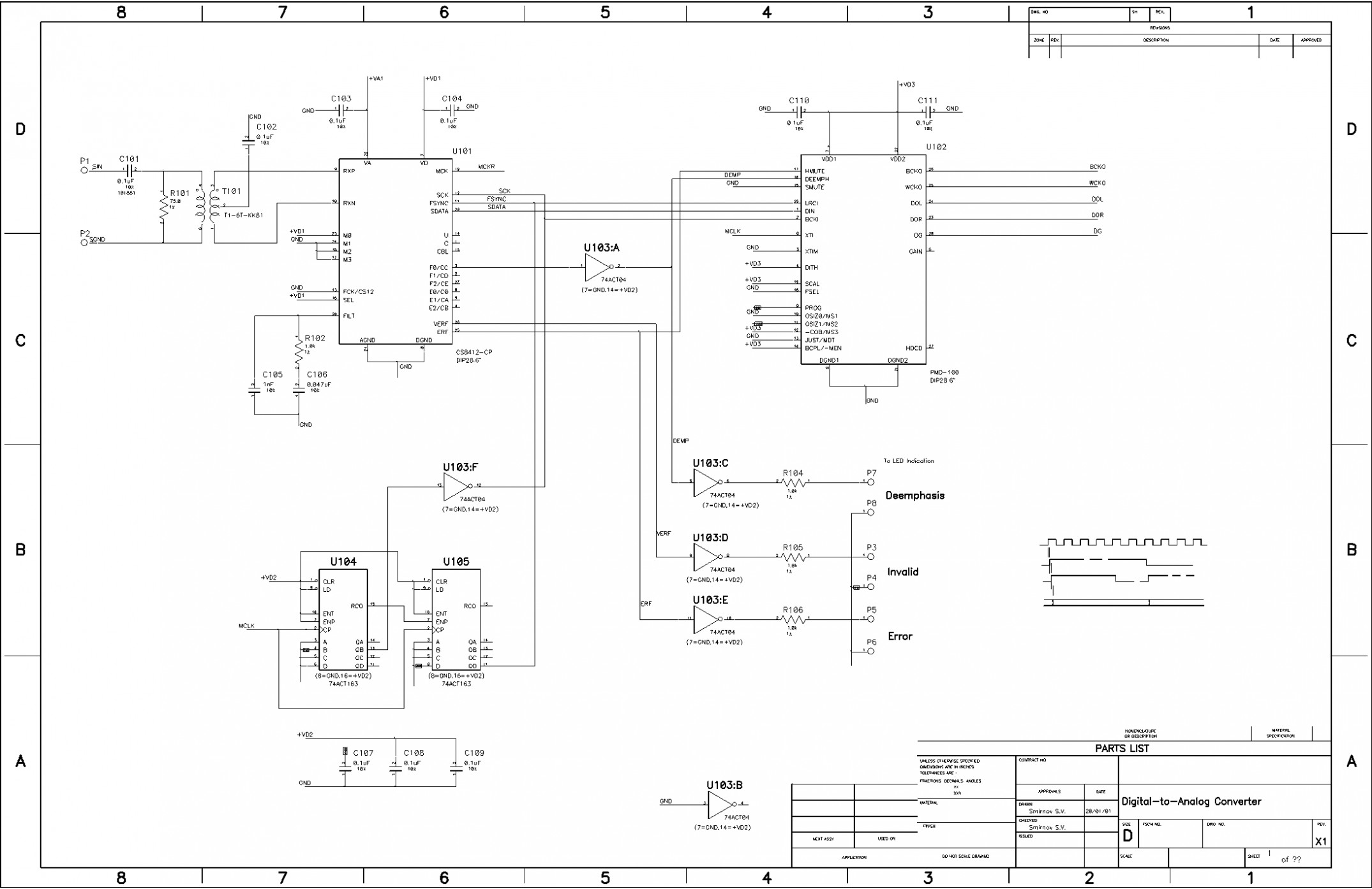
SPDIF Receiver
Выбор был остановлен на SC8412 ( http://www.crystal.com ).  Данная микросхема имеет режим SLAVE, при котором данные, выделенные из входного потока, записываются в буфер ( 2 отсчета по каждому каналу), а считывание происходит синхронно с сигналами SCK, FSYNC, работающими как входы и поступающими от отдельного генератора сеток. В случае если частоты дискретизации на входе (Rx) и выходе (SCK, FSYNC) не равны, происходит либо потеря, либо повторение отсчета, с соответствующей индикацией данной ошибки. В нашем случае, предполагается, что частоты равны вследствие использования единого тактового генератора.

Digital Filter
Может быть использован любой цифровой фильтр (ЦФ) передискретизации (8Х), с соответствующей коррекцией схемы. Мною предполагается использовать фильтр PMD-100 (HDCD) фирмы Pacific Microsonics. http://www.hdcd.com Данный фильтр многими оценивается как один из самых лучших для формата CD, и, кроме того, обладает широким набором дополнительных функций, правда, доступных только через программное управление (регулировка громкости,  семь уровней псевдошума (dither), режимы 2Х, 4Х).

Re-Clocking Triggers
Данный элемент необходим для “перепривязки” (пересинхронизации) данных, поступающих с ЦФ на ЦАП. Анализ документации на все ЦФ (SM5842, SM5843, PMD-100…) показывает, что время задержки выходных данных относительно системной тактовой частоты (MCLK=256*Fs) имеет разброс 15…50\60 нс, что в максимуме больше половины периода тактовой частоты (Ts=~88ns для MCLK= 44100 * 256). Такой громадный разброс наводит на мысль о том, что, несмотря на заверения разработчиков ЦФ, данный модуль является потенциальным источником джиттера. Для устранения возможных флуктуаций и используется триггеры “перепривязки”.
В результате данные, поступившие с ЦФ и перепривязанные на отдельных триггерах (т.е. данные на входе ЦАП), будут иметь флуктуации фронтов определяемые флуктуациями тактового генератора (3..10 пс в самом лучшем случае) и непосредственно триггера (1..2 пс для серии HCT). Никакие временные флуктуации цифровых данных обусловленные транспортом, линией передачи (SPDIF интерфейс), приемником и ЦФ не будут иметь значения вследствие данного варианта синхронизации.

Все было бы хорошо, если бы не вставал вопрос о пересинхронизации пачки тактовых импульсов (BCKO). При таком разбросе в задержке ЦФ единственный способ сделать это, это сформировать строб, охватывающий биты данных, и сложить его с тактовой сеткой на элементе “И”, получив обновленную пачку импульсов. Один из вариантов предложен на сайте http://members.brabant.chello.nl/~m.heijligers/DAChtml/dactop.htm
Предложенное мной схемное решение хотя и более громоздкое, но, на мой взгляд, более корректное. Как можно видеть, сигнал на входе U209:B устанавливается в 1 положительным фронтом сигнала BCKO, а сбрасывается в 0 – положительным фронтом сигнала MCLK. Задержка между этими фронтами – 15…38 нс (для PMD-100).
Честно говоря, можно было бы ограничиться пересинхронизацией только сигналов WCKO и DG, которые и определяют момент смены отсчета на выходе многобитовых ЦАП (WCKO для PCM63/1702, DG для D20400). Но, на мой взгляд, в аудио технике лучше не экономить. Кроме того, всегда лучше работать с сигналами, имеющими минимальные временные флуктуации.
Ниже приведены временные диаграммы схемы пересинхронизации.
Сигналы WCKO, BCKO, DATA – сигналы, поступающие с ЦФ.
Сигнал BCK_EN – строб, накрывающий биты данных, в дальнейшем складывается с SYS_CLK (сигналом, инверсным по отношению к MCLK и опережающим его на 5…7 нс) для получения пачки тактовых импульсов.
Сигнал BCKO показан для случая минимальной задержки (15нс, верхний рисунок) и максимальной задержки (50нс для PMD-100, нижний рисунок) относительно MCLK. Данные – все единицы. Нетрудно видеть, что все сигналы, поступающие с ЦФ, задерживаются на полтора периода системной частоты (MCLK) и освобождаются от всех временных флуктуаций.

DAC
Данная схема ориентирована на использование многобитовых ЦАП. Как альтернатива Ultra Analog D20400 могут быть использованы PCM63P-K, PCM1702P (http://www.burr-brown.com) и тп. Схема пост фильтрации и выходного буфера в данном случае не рассматривается, и может быть выбрана в зависимости от предпочтений и возможностей конкретного разработчика. В конце документа приведен список ссылок на сайты, где можно ознакомится с различными схемными решениями аналоговой части.

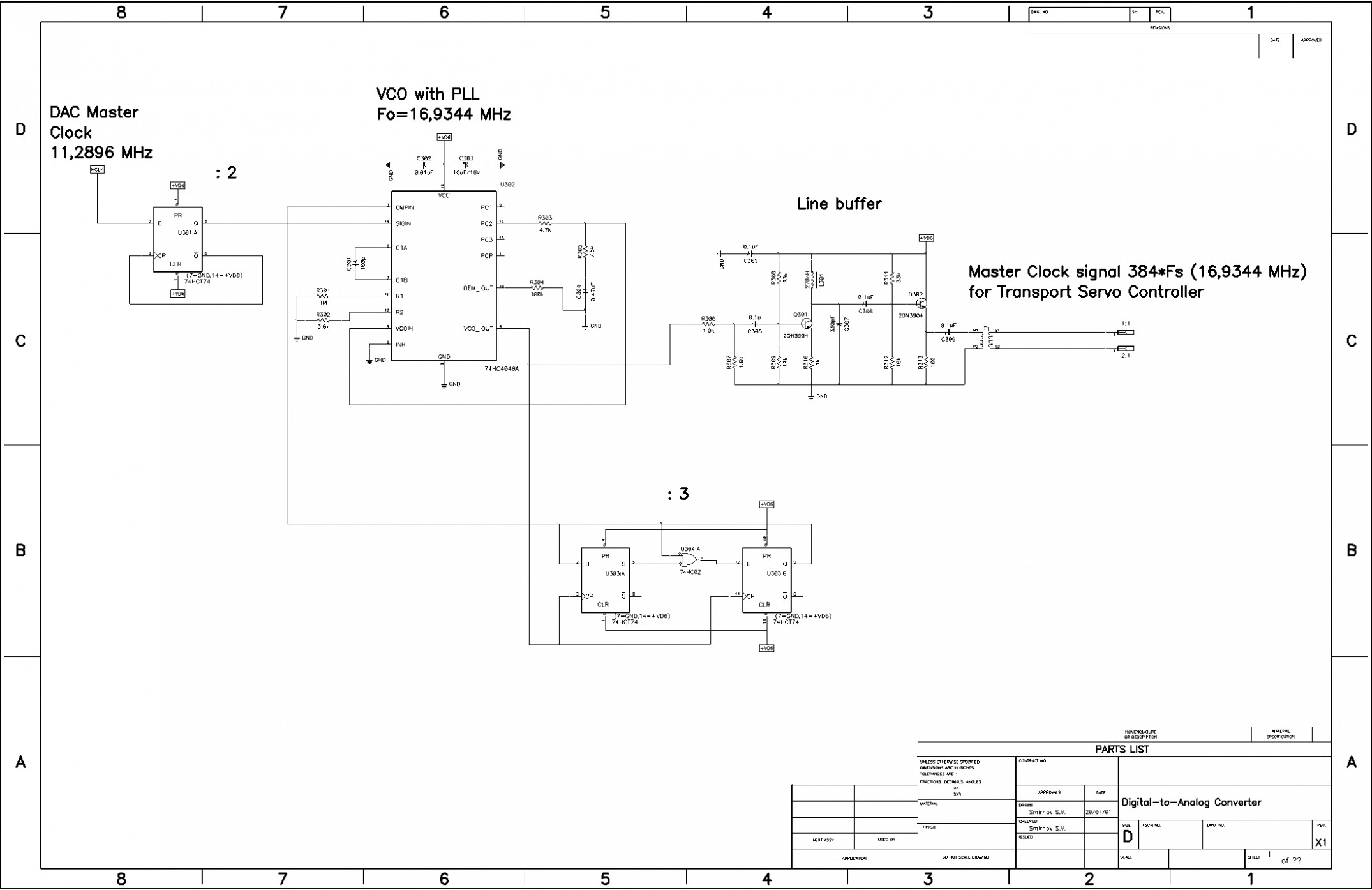
Clock Generator
На приведенной схеме показан простейший тактовый генератор на цифровом элементе исключительно в качестве примера. Рекомендуется использовать либо покупной тактовый генератор с малым уровнем джиттера (http://www.lcaudio.com/, http://www.mfelectronics.com/slj_fixtri.htm , и тп), либо разработать малошумящий генератор на прецизионном кварцевом резонаторе (к примеру, http://www.wenzel.com/pdffiles/xtalosc.pdf). В любом случае, необходимо уделять особое внимание схеме питания генератора, его топологии и линии доставки тактового сигнала  от генератора до ЦАП. Возможно, разумным будет использование отдельного трансформатора не отключаемого от сети. Наличие малошумящего линейного стабилизатора напряжения обязательно.

VCO
Данный блок предназначен для формирования синхросигнала частотой 384*Fs (16934400 Гц) в случае, если проигрыватель (транспорт) имеет такую тактовую частоту (Denon DCD-725/1015, Kenwood DP7060/7090, Marantz CD 63 SE, Teac VRDS-10 и другие). В противном случае, схему с ФАП и делители на два и три можно будет удалить, подав сигнал MCLK непосредственно на выходной резонансный усилитель\буфер и пересчитав значение емкости С307 в сторону увеличения.

Power Supply
На приведенной схеме источник питания не показан. Рекомендуется раздельное питание цифровой и аналоговой частей схемы вплоть до трансформаторов. Особое внимание необходимо уделить питанию аналоговой части. Примеры можно посмотреть в ссылках, но в любом случае, применение высококачественных (и, к сожалению, дорогих) конденсаторов необходимо. Black Gate, Elna, Nichicon, Wima – первые претенденты на использование. Среди первых трех выбор – дело вкуса.
Все напряжения питания, за исключением +VA2, -VA2, равны +5В. Желательно использовать отдельные стабилизаторы на каждую группу питания (+VA1, +VD1…+VD6). Как наиболее простое решение – LM317. Но для питания схемы пересинхронизации и цифрового питания ЦАП (U201…U210), я бы применил высококачественные малошумящие стабилизаторы напряжения (MIC5205, TL431, ADP3303 и тп).

Master Clock Receiver/Clock Generator
Схема приемника синхросигнала приведена в первой части статьи. В качестве компаратора можно попробовать использовать инвертор (из того же корпуса, что и для генератора), охватив его обратной связью по постоянному току.

Замечания по принципиальной схеме
Еще раз обращаю внимание, что на приведенной схеме отсутствуют элементы питания отдельных устройств, а так же вся  аналоговая часть. Здесь хочу привести лишь отдельные рекомендации при разработке конструкции. Каждый вывод питания цифровых МС должен быть зашунтирован керамическим конденсатором 0,01…0,1 мкФ. Желательно использовать бескорпусные конденсаторы (в крайнем случае, максимально укоротить выводы), а так же танталовые SMD конденсаторы. Крайне желательно наличие хорошего (сплошного) слоя земли, охватывающей всю цифровую часть. Возможно, потребуется введение резисторов (50…200 Ом) последовательно в каждую цепь входных сигналов ЦАП (BCK_O, WCK_O, DATA_L/R, DG_O), если будет наблюдаться дребезг на фронтах.
Для того, что бы данный ЦАП мог работать с источником, необорудованным приемником синхросигнала (т.е. как обычный выносной ЦАП), необходимо подменить сигнал SYS_CLK сигналом MCKR (с выхода CS8412), отключив DAC Master Clock Generator. Это можно осуществить введением механического или электронного переключателя.

Заключение
Основная идея данной схемы состоит не в том, как будет работать связка CS8412 – PMD-100 – PCM63PK(D20400, PCM1702) c указанными элементами и топологией, это и так работает (и примеров тому много), а в том, что бы показать схемную реализацию возможности избавиться от влияния всех частей на пути прохождения цифровых сигналов от транспортного механизма до ЦАП. Уверен, что данный подход позволит исключить один из основных факторов деградации звука при цифро-аналоговом преобразовании. Я имею в виду Jitter.

Список материалов по конструированию ЦАП
http://www.phyast.pitt.edu/~charng/schematic.html
http://www.diyaudio.de/index.html
http://members.brabant.chello.nl/~m.heijligers/DAChtml/dactop.htm
http://www.geocities.com/ResearchTriangle/8231/cdplayer/index.html
http://galstar.com/~ntracy/ACG/Xdac/ADreply/harley1.htm
http://www.jitter.de/english/engc_navfr.html
http://www.sound.au.com/misclink.htm
http://www.megabaud.fi/~jtolonen/projects/jt-dac_no.3/jt-dac_no.3.html
http://www.clarkson.edu/~stokessd/dac.html
http://www.zeuslab.newmail.ru/
http://users.cybercity.dk/~ida2439/athome/builddac.htm
http://www.tnt-audio.com/clinica/tweaks.html
http://www.npcproducts.com/
http://www.wima.com/
http://www.analog.com/
http://www.crystal.com/
http://www.digido.com/

Смирнов Сергей, Май 2001.

Взято тут http://sergeysvs.narod.ru/projects/Clocking/clocking2.html
Предшествующее - От nnstepan Дата 2012-02-19 09:19 Исправлено 2012-02-22 21:51
Выбор топологии синхронизации ЦАП

Выбор схемы синхронизации выносного блока ЦАП

В данной статье делается попытка  обзора возможных схем синхронизации транспорта и выносного блока ЦАП с целью выбора оптимального варианта.
Для простоты ограничимся вариантом работы от источника CD-DA с частотой дискретизации 44.1 кГц. Блок ЦАП будем рассматривать состоящим из приемника аудиоданных (к примеру CS8412), цифрового фильтра восьмикратной передискретизации, и собственно м\с ЦАП. Данный набор кристаллов далеко не единственный, но достаточно традиционный в домашнем “ЦАПо-сторении”. Критический путь тактового сигнала на схемах выделен толстой стрелкой.

Для начала рассмотрим базовые варианты схем синхронизации. Все известные схемы синхронизации отдельных модулей можно свести к трем базовым вариантам (названия условны):
Централизованная синхронизация
Распределенная синхронизация
Асинхронное построение

Централизованная синхронизация системы транспорт-ЦАП предполагает наличие единого задающего тактового генератора с подачей синхросигнала на все части системы. Строго говоря, сам транспорт нельзя рассматривать как систему с чисто централизованной синхронизацией в силу того, что он содержит несколько следящих систем синхронизации (схема трекинга, EFM демодулятор и тд) с различными тактовыми частотами, синхронизированными друг с другом. Но для простоты примем, что транспорт тактируется единым синхросигналом. Данный принцип построения является самым простым и эффективным, но требует наличия дополнительного интерфейса между частями системы для передачи общего синхросигнала. Примерами построения систем транспорт-ЦАП, основанных на данном принципе, являются варианты B, F, G (см ниже).

Распределенная синхронизация подразумевает, что тактовая частота, необходимая для работы конкретной части системы тем или иным образом выделяется из внешнего сигнала (тактового или данных). Существуют различные схемы выделения тактового сигнала, но чаще всего это выделение происходит путем применения локального генератора (ГУН), охваченного петлей ФАПЧ и синхронизированного с внешним сигналом. В случае, когда приемник и передатчик данных разнесены в пространстве (скажем в радиосвязи) – это единственные способ эффективного приема и выделения информации. Рассмотрим, для примера, вариант, когда тактовый сигнал регенерируется с помощью ГУНа (в частности приемник CS8412). В этом случае, параметры вновь синтезированного тактового сигнала определяются несколькими факторами – параметрами самого ГУН, полосой ФАПЧ, качеством опорного (внешнего) сигнала, качеством реализации всей схемы наконец. Наиболее эффективный вариант данного подхода – использование высококачественного интегрального ГУНа, охваченного узкополосной петлей ФАПЧ, но имеющего при этом достаточный диапазон перестройки по частоте. Примерами построения систем транспорт-ЦАП, основанных на данном принципе, являются варианты А, С (см ниже).

Асинхронное построение подразумевает, что тактовые частоты транспорта и ЦАП не равны (полностью независимы). В данном случае возможно высококачественное тактирование ЦАП и хорошая развязка от транспорта. Единственная проблема, возникающая в этом случае заключается в необходимости буферизации или преобразовании данных, передаваемых от транспорта в ЦАП. Примерами построения систем транспорт-ЦАП, основанных на данном принципе, являются варианты D, E, H (см ниже).

Каждый из рассмотренных ниже вариантов построения синхронизации, а равно как и любые другие возможные варианты, являются комбинацией перечисленных выше трех базовых принципов.

Традиционное построение (A).

Источником тактового сигнала служит генератор, установлений в транспорте. В наилучшем случае, это отдельный TCXO генератор, но в массовой аппаратуре, как правило, тактовый генератор выполнен на логическом элементе, являющимся частью многофункциональной СБИС. На пути к м\с ЦАП, тактовый сигнал проходит различные устройства, а именно:
генератор тактового сигнала. Типичное бюджетное решение – совмещение тактового генератора и многофункциональной СБИС сервоконтроллера. Совмещение генератора и сервоконтроллера приводит к заметной на слух деградации звучания.
передатчик формата S/PDIF, в котором происходит формирование композитного цифрового сигнала (Манчестерский код) для передачи данных по однопроводной линии;
линия передачи (коаксиальная, оптическая или согласованная витая пара);
приемник  S/PDIF, в котором происходит восстановление тактовых сеток и цифровых данных, передаваемых от транспорта. При этом, для восстановления тактовых сеток используется внутренний ГУН, охваченный петлей  широкополосной ФАПЧ. Большая ширина полосы ФАПЧ обусловлена необходимостью захвата и синхронизации системы ФАПЧ сигналом с одной из трех стандартных частот дискретизации (32, 44.1, 48 кГц). Спектр восстановленного сигнала в полосе ФАП (около 20 кГц) полностью определяется спектром входного композитного сигнала, являющегося опорным для внутреннего генератора. В более дальней зоне, спектр восстановленного сигнала определяется собственным спектром ГУН.
В некоторых м\с приемников S/PDIF (UltraAnalog AES20/AES21) используется узкополосная, около 1 кГц, ФАПЧ, позволяя подавить более высокочастотные фазовые флюктуации композитного цифрового сигнала.
Необходимо заметить, что обеспечение более узкой полосы ФАПЧ ограничивается не только и не столько требованиями перестройки ГУН, сколько собственной нестабильностью локального генератора.
Цифровой фильтр передискретизации. Некоторые разработчики данных СБИС уверяют, что устройство не добавляет джиттер на выходе. Однако, эти утверждения вызывают сомнения. Достаточно посмотреть величину разброса задержки выходных данных относительно фронта тактового сигнала (256х). В частности, в документации на цифровой фильтр PMD-100 фирмы Pasific Microsonics, указывается, что реализация потенциала Ц\А преобразования может быть достигнута только при пересинхронизации данных на выходе ЦФ (непосредственно на входе м\с ЦАП) с помощью отдельных триггеров. Естественно предполагается, что тактовый сигнал для пересинхронизации должен быть как можно более стабильным.
Достоинство у данного варианта построения только одно – простота реализации, так как все элементы  тракта (микросхемы и интерфейсы подавляющего большинства транспортов \ проигрывателей) ориентированы именно на этот подход. Недостатки очевидны – каждый элемент в цепочке от тактового генератора в транспорте до входа ЦАП добавляет фазовых флюктуаций. В частности, качество изготовления  и импеданс межблочного кабеля оказывает заметное на слух влияние, что  порождает дискуссии о “звучащих” ЦИФРОВЫХ кабелях. Тем не менее, при грамотном подходе в использовании каждого элемента тракта, можно получить очень неплохие результаты. Различные конструкции ЦАПов, базирующихся на данном подходе, можно, в частности, посмотреть на сайте Александра Петровского:
http://www.zeuslab.narod.ru/

Улучшенный вариант традиционного построения (B).

Для передачи цифровых данных используется интерфейс I2S (DATA, BCK, WCK, MCLK). Каждый из цифровых сигналов передается по отдельной шине (обычно коаксиальный кабель для тактового высокочастотного сигнала и плоский кабель для остальных сигналов).  При данном построении, из пути передачи тактового сигнала исключается передатчик и приемник интерфейса S/PDIF. Предполагается, что транспорт должен обладать высококачественным тактовым генератором. Однако, мне не известно ни одного промышленного бытового проигрывателя (транспорта), обладающего интерфейсом I2S для связи с внешним блоком ЦАП.
Тем не менее, в 90-х годах фирмой UltraAnalog Inc. было предложено принять стандарт I2S*Enhanced, отличающийся от обычного протокола I2S тем, что имелись дополнительные сигналы (два для передачи Master Clock, один для передачи Slave Clock и пара управляющих), для реализации работы ЦАП как Мастера (а транспорта, соответственно, как ведомого устройства). Все сигналы предполагалось передавать согласованными линиями (коаксиальными для тактовых сигналов, и витой парой для остальных). Предложение, судя по всему, не получило поддержки у производителей массовой аппаратуры, и осталось на бумаге. Да и фирма UltraAnalog Inc. в скором времени перешла под управление одного из производителей аппаратуры High End Audio (Wadia), и по сути, прекратила свое существование. Именно стандарт I2S*Enhanced мог бы стать окончательным и достойным решением проблемы синхронизации в бытовых аудио комплексах. Единственным аппаратом, оснащенным интерфейсом I2S*Enhanced, является Sonic Frontiers Transport 3 and Processor 3.
В качестве примера реализации интерфейса I2S в домашних условиях можно привести проект “LYNX 7” Дмитрия Андронникова: http://www.lynxaudio.narod.ru/images/art_03_1.pdf

Вариант с высококачественным ГУН (C).

Отличается от традиционного подхода (А) наличием высококачественного ГУН, синхронизированного с частотой дискретизации транспорта. Данный ГУН заменяет собой, по сути, встроенный в приемник низкокачественный ГУН. Петля ФАПЧ, охватывающая ГУН, отслеживает только медленные изменения тактовой частоты транспорта (полоса ФАПЧ  - единицы герц). Недостаток данного варианта, на мой взгляд, в том, что фазовые флюктуации генераторов, управляемых напряжением (VCO), как правило выше, чем традиционных TCXO. Кроме того, реализация потенциала ГУН может быть достигнута только при соответствующем качестве элементов петли ФАПЧ и топологии печатной платы. Данный вариант предполагает работу только с одним источником цифровой информации (как правило, CD-DA, 44.1 кГц), поскольку высококачественный ГУН имеет, как правило, узкий диапазон перестройки по частоте. Грамотный со всех точек зрения проект, основанный на данном подходе, представлен на сайте: http://members.brabant.chello.nl/~m.heijligers/DAChtml/dactop.htm

Вариант с преобразователем частоты дискретизации (D).

Асинхронный преобразователь частоты дискретизации (ASRC) разрабатывался для применения в аппаратуре при передаче данных между двумя устройствами с различающимися частотами дискретизации (к примеру, при конвертации из формата 48 в 44.1 кГц). Внутреннее построение и алгоритм работы устройства достаточно сложны, но в первом приближении его можно рассматривать как сверхвысокочастотный интерполятор с последующей вторичной дискретизацией. В нашем случае, данные записываются в ASRC с частотой, определяемой транспортом, а считываются с частотой, определяемой локальным тактовым генератором. При этом необходимо иметь в виду, что устройство производит цифровую обработку данных (интерполяцию), и значения отсчетов на выходе могут не соответствовать значениям отсчетов на входе. Кроме того, вопрос о том, передается ли джиттер через данное устройство, до конца не ясен. Но безусловно то, что данное устройство позволяет в значительной мере решить вопрос с синхронизацией транспорта и ЦАПа. Как положительное свойство данного подхода, можно указать на возможность использования данного преобразователя для повышения частоты дискретизации в 2…4 раза (up-sampling) вместо традиционного цифрового фильтра. Кроме того, достоинство данного метода построения заключается в возможности иметь только один тактовый генератор (к примеру частотой 12,288 МГц) при приеме данных от разных цифровых источников информации (32, 44.1, 48, 96 … кГц), в силу асинхронности работы устройства. В качестве примера реализации подобного принципа можно сослаться на проект EVEREST Александра Петровского:
http://www.zeuslab.narod.ru/EverestDAC.htm

Вариант с буферизацией данных в ОЗУ (E).

Вопрос с передачей данных между двумя асинхронными устройствами можно решить, применив буфер (ОЗУ), запись в который производится с частотой, определяемой транспортом, а считывание, обработка в ЦФ и работа ЦАП – с частотой локального TCXO. Объем буфера определяется максимальной разностью частот дискретизации, разрядностью одного отсчета, и временем работы без переполнения. При формате данных 16 бит, максимальном отклонении частот 400 ррм, и временем непрерывной работы 80 мин, получим значение объема ОЗУ около 700 килобайт. Иными словами, для реализации данного подхода необходимо наличие 700 килобайт ОЗУ и схемы управления процессом записи \ считывания отсчетов. Несмотря на громоздкость, данный вариант также решает проблему джиттера транспорта ПКД. К сожалению мне не удалось найти в сети ссылки на проект, базирующийся на данном принципе синхронизации.

Вариант синхронизации от блока ЦАП (F).

Если транспорт имеет возможность синхронизации от внешнего источника, то такая конфигурация также позволяет достичь низких величин джиттера на входе м\с ЦАП. Данный вариант аналогичен варианту с I2S*Enhanced, за тем отличием, что данные от транспорта к ЦАП передаются по традиционному интерфейсу S/PDIF, а сигнал синхронизации может подаваться либо по коаксиальной, либо по оптической линии связи. Недостаток данного варианта (как и вариантов С, Е и I2S*Enhanced) состоит в том, что для работы с различными цифровыми источниками (32, 44.1, 48 кГц) необходимо либо иметь несколько отдельных генераторов, либо строить перестраиваемый генератор (DDS или VCO). В последнем случае, величина фазовых флюктуаций может быть неудовлетворительной. Для использования выносного блока ЦАП только с одним цифровым источником (CD-DA), данный вариант, на мой взгляд, оптимален.

Вариант синхронизации от отдельного блока Master Clock Generator (G).

Вариант аналогичен варианту (F), с той разницей, что тактовый генератор вынесен в отдельный блок, и питает собой все устройства тракта. Если Master Clock Generator поддерживает частоты дискретизации 32, 44.1, 48 кГц (и их производные), то это решает вопрос совместимости блока ЦАП с различными цифровыми источниками. Данное построение характерно для профессиональной аппаратуры. Тем не менее, качество передачи тактового сигнала от Master Clock Generator к блоку ЦАП будет влиять на качество конечного цифро-аналогового преобразования. Но, это влияние будет, все же, гораздо менее выражено, чем при традиционном построении (А) (это обусловлено отсутствием композитного цифрового сигнала, и возможностью использовать синусоидальный сигнал в качестве синхронизирующего).

Вариант асинхронного тактирования ЦАП (H).

В данном случае, поток данных с выхода S/PDIF приемника не синхронизирован с тактовым сигналом задающего генератора. Частота тактового генератора выбирается много больше частоты следования цифровых символов. При пересинхронизации данных на входе ЦАП, происходят регулярные скачкообразные флюктуации фронтов цифровых сигналов. В зависимости от разности частот транспорта и тактового генератора ЦАП, частота следования таких временных флюктуаций может сильно варьироваться. Строго говоря, так делать не правильно (попадание “фронт-на-фронт” двух сигналов на входах триггера может привести к искажению информации), но подобные схемы существуют, и показали положительные результаты по сравнению с традиционным подходом (А). Сказать, насколько данный подход хуже синхронного построения (G, F) не представляется возможным. Наверное, такое построение можно рассматривать как “бюджетный” вариант решения проблемы джиттера. Подробнее о подобной реализации можно прочитать в приложении к журналу “Салон AV”, #11, 2002.
http://www.salonav.com/Praktika/6.2003/prak6-2003.htm http://www.markanaudio.ru/Articles/Article_1.pdf http://www.markanaudio.ru/Articles/Article_2.pdf http://www.markanaudio.ru/Articles/Article_3.pdf

Необходимо отметить, что независимо от варианта построения, желательно пересинхронизировать  все данные (или как минимум сигнал WCKO) непосредственно на входе м\с ЦАП с помощью отдельных триггеров . В качестве синхронизирующего сигнала разумно использовать наиболее стабильный из имеющихся в устройстве тактовых сигналов. Естественно, разработка цифровой схемы пересинхронизации требует учета всех особенностей используемых компонентов (максимальные задержки, формат данных и тд).

Исходя из анализа различных схем построения выносного блока ЦАП, мной было разработано устройство, сочетающее в себе особенности вариантов (F) и (G) . Основным цифровым источником для ЦАП был признан CD-DA. По состоянию на март 2003 г., проект находится в стадии разводки печатной платы. По завершении конструирования и получении результатов прослушивания, будет представлено подробное описание конструкции. Тем не менее, текущую версию принципиальных схем и описания конструкции можно посмотреть на моем сайте:
http://sergeysvs.narod.ru

Для реализации входа синхронизации в бытовом проигрывателе КД можно использовать несложное устройство, описанное мной ранее:
http://www.hi-fi-music.ural.ru/hifiru/pages/special/diy/cd_clocking.html
http://www.hi-fi-music.ural.ru/hifiru/pages/special/diy/cd_clocking2.html

Сергей Смирнов, 2003.

Взято тут http://sergeysvs.narod.ru/projects/Clocking/DACs_topology.html
Предыдущая Следующая Вверх Тема Общая информация / Теоретические материалы / Проблемы синхронизации ЦАП - Сергей Смирнов - http://sergeysvs.narod.ru/

Powered by mwForum 2.24.2 © 1999-2011 Markus Wichitill